
SKIM系列
产品简介
SKiM 63/93可从多方面提升逆变器的可靠性,即使处于明显的主动或被动温度波动下。 SKiM63/93设计用于对逆变器可靠性有高要求的应用。适用于汽车应用,如电动汽车的电动动力系统、重型建筑机械和牵引车。
产品详情
► 提示:
德国Semikron赛米控公司生产的IGBT模块按封装形式可分为六大系列,分别是
SKIM系列 SKiip IPM系列 SEMiX系列
SEMITRANS系列 SEMITOP系列 MiniSKiiP系列
SKiM® IGBT模块
SKiM®优势 SKiM 63/93可从多方面提升逆变器的可靠性,即使处于明显的主动或被动温度波动下。除了烧结芯片、压接和弹簧技术以外,SkiM63/93系列采用AlCu绑定线连接二极管以及高性能导热硅脂,在相同芯片组及相同寿命条件下实现了23.3%的性能提升,功率循环能力是标准烧结模块的两倍。
SKiM® 应用 SKiM63/93设计用于对逆变器可靠性有高要求的应用。首先,它适用于汽车应用,如电动汽车的电动动力系统、重型建筑机械和牵引车。 此外,它还为超级跑车和赛车提供顶尖性能。采用成熟三电平拓扑结构的SKiM 4/5应用于太阳能和UPS等蓬勃发展的应用领域。
SKiM®的产品范围 SKiM 4/5模块具有三相全桥、MLI和TMLI配置,额定电流范围200A至600A。SKiM 63/93具有三相逆变器拓扑结构,电压级别为600V,1200V和1700V。功率范围为20kW至180kW,额定电流为300A至900A。1200V/600A模块的降压和升压配置使整个产品系列更趋完善。提供各种驱动解决方案以及经过优化的水冷散热器,方便客户进行快速评估。此外,还提供并联板用于构建简易且强大的半桥配置。
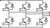
MLI 3电平 |
GD六单元 |
GD-T六单元 (含热敏电阻) |
TMLI 3电平 (含热敏电阻) |
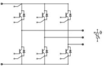
GD-DT六单元 (单元独立、含热敏电阻) |
GD-D六单元 (单元独立) |
GAL-D 单开关 (单元独立) |
GAR-D 单开关 (单元独立) |
SKiM® IGBT模块 内部电路连接图(点击某一型号,可查看该型号PDF)
封装外型 | 电路连接 | 型号 |
SKiM 4 (123x107x35)
| MLI 3电平 | 650V系列: 1200V系列: |
GD六单元 | 1200V系列: SKiM200GD126D SKIM300GD126D SKiM300GD126DL SKiM120GD176D SKiM220GD176DH4 | |
TMLI 3电平 (含热敏电阻) | 1200V系列: | |
GD-T六单元 (含热敏电阻) | 1200V系列: | |
SKiM 5 (178x107x35)
| GD-DT六单元 (单元独立、含热敏电阻) | 1200V系列: SKiM450GD126D SKiM450GD126DL SKiM455GD12T4D1 SKiM600GD126DLM SKiM270GD176D |
SKIM 63 (160x114x35)
| GD-D六单元 (单元独立) | 650V系列: 1200V系列: |
SKIM 93 (160x150x35)
| GD-D六单元 (单元独立) | 600V系列: 1200V系列: 1700V系列: |
GAL-D 单开关 (单元独立) | 1200V系列: |












