
infineon T系列可控硅分立器件
产品简介
德国英飞凌Infineon公司生产的可控硅分立器件按其性能主要可分为三大系列T系列相控可控硅、 T系列光控可控硅、脉冲电源用可控硅。本公司销售Infineon可控硅保证原装正品,欢迎来电咨询。
产品详情
|
|
|
|
德国英飞凌Infineon大功率电子器件产品线主要有可控硅(晶闸管)、整流二极管、IGBT模块、IGBT单管等,本公司作为Infineon大功率电子器件在中国的经销商,主要销售Infineon可控硅(Infineon晶闸管)、Infineon二极管、Infineon IGBT等,保证原装正品,交货及时,常备现货,价格优惠。
本页面罗列展示Infineon 公司T系列相控可控硅、T系列光控可控硅。
陶瓷外壳可控硅 图片与外形尺寸图 |
环氧平板型封装可控硅 图片与外形尺寸图 |
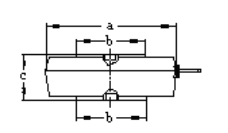
说明:外形尺寸中,a为最大外径,b为压装台面直径,c为厚度
1. T系列陶瓷外壳相控可控硅
型 号 | VDRM/VRRM (V) | ITAV (A) @ 85°C | 外形尺寸 (mm) |
up to 800V | |||
600 400 200 | 568 | a 42 × b23 × c14.5 | |
600 400 200 | 694 | ||
600 400 200 | 925 | a 48 × b30 × c14.5 | |
600 400 200 | 1075 | ||
600 400 200 | 1490 | a 58 × b36 × c14.5 | |
600 400 200 | 2509 | a 75 × b50× c26.5 | |
600 400 200 | 3710 | a 100 × b65× c26.5 | |
up to 1800V | |||
1800 1600 1400 1200 1000 | 303 | a 42 × b23 × c14.5 | |
1600 1400 1200 | 381 | ||
1800 1600 1400 1200 | 424 | a 48 × b30 × c14.5 | |
1800 1600 1400 1200 | 433 | a 42 × b23 × c14.5 | |
1600 1400 1200 | 470 | ||
1800 1600 1400 1200 | 559 | a 48 × b30 × c14.5 | |
1800 1600 1400 1200 | 588 | a 58 × b36 × c26.5 | |
1800 1600 1400 1200 | 644 | a 48 × b30 × c14.5 | |
1400 1200 | 681 | ||
1800 1600 1400 1200 | 718 | a 58 × b36 × c26.5 | |
1800 1600 1400 1200 | 844 | a 58 × b36 × c14.5 | |
1800 1600 1400 1200 | 879 | a 58 × b36 × c26.5 | |
1800 1600 1400 1200 | 959 | a 58 × b36 × c14.5 | |
1800 1600 1400 1200 | 1190 | a 75 × b50× c26.5 | |
1800 1600 1400 1200 | 1500 | ||
1800 1600 1400 1200 | 2180 | a 100 × b65× c26.5 | |
1800 1600 1400 1200 | 3160 | a 111× b75× c26.5 | |
up to 3000V | |||
2800 2600 2400 2200 2000 | 360 | a48 × b30 × c14.5 | |
2600 2400 2200 | 459 | a 58 × b36 × c26.5 | |
2600 2400 2200 | 659 | ||
2200 2000 1800 | 699 | ||
2600 2400 2200 | 745 | a 58 × b36 × c14.5 | |
2200 2000 | 1039 | a 75 × b50× c26.5 | |
T1220N28TOF VT T1220N26TOF VT T1220N24TOF VT T1220N22TOF VT T1220N20TOF VT | 2800 2600 2400 2200 2000
| 1220 | a 75 × b50× c26.5 |
2200 2000 1800 | 1329 | a 75 × b50× c26.5 | |
2800 2600 2400 | 1590 | a 100 × b65× c26.5 | |
2200 2000 1800 | 1960 | ||
2800 2600 2400 2200 2000 | 2400 | a 111× b75× c26.5 | |
2800 2600 2400 2200 | 2480 | a 111× b75× c26.5 | |
2200 2000 1800 1600 | 2810 | ||
2800 2200 | 4340 | a 151× b100× c26 | |
up to 5500V | |||
4200 4000 3800 | 730 | a 75 × b50× c26.5 | |
4400 4200 3600 | 870 | a 75 × b50× c26.5 | |
3600 3200 3000 | 860 | ||
3600 3500 3200 | 940 | ||
3600 3400 3200 | 930 | a 75 × b50× c26.5 | |
4200 | 1590 | a121× b86× c35 | |
5200 | 1660 | ||
5200 | 1770 | a121× b86× c26 | |
3600 3500 | 1900 | a121× b86× c35 | |
4200 | 1800 | a 111× b75× c26.5 | |
3800 3600 3400 3200 | 2180 | ||
3600 3400 | 2060 | a121× b86× c26 | |
5200 | 2070 | a121× b86× c35 | |
5200 | 2250 | a121× b86× c26 | |
5200 4800 4200 | 2980 | a151× b100× c35 | |
5200 5000 4800 | 3200 | a151× b100× c26 | |
3600 | 3830 | a151× b100× c26 | |
5200 | 3880 | a172× b115× c35 | |
up to 10000V | |||
7000 | 245 | a58× b34× c27 | |
6500 | 280 | a58× b36× c27 | |
7000 | 640 | a76× b50× c27 | |
8000 | 540 | a76× b50× c35 | |
6500 | 540 | a75× b50× c26 | |
9500 | 590 | a75× b50× c26 | |
6500 | 1053 | a 100 × b65× c26.5 | |
7000 6500 6000 | 1300 | a121× b86× c27 | |
6500 | 1613 | a 111× b75× c26.5 | |
7000 | 1670 | a121× b86× c35 | |
7000 6500 6000 | 1830 | a121× b86× c27 | |
8000 | 2100 | a151× b100× c35 | |
8000 7000 | 2260 | a151× b100× c26 | |
8000 | 2300 | a172× b115× c40 | |
8000 | 2620 | a172× b115× c35 | |
2. T系列环氧平板型封装 (epoxy disc case)——产品已经停产,但有的可以找到库存,或用陶瓷封装的替代
型 号 | VDRM/VRRM (V) | ITAV (A) @ 85°C | 外形尺寸 (mm) | 空 格 | 型 号 | VDRM/VRRM (V) | ITAV (A) @ 85°C | 外形尺寸 (mm) |
|
| |||||||
200,400,600 | 348 | a 41 × b23 × c14 | 2000…2600 | 459 | a 50 × b30 × c14 | |||
200,400,600 | 828 | a 50 × b30 × c14 | T639N18-22TOF | 1800…2600 | 640 | a 57 × b36 × c26 | ||
200,400,600 | 1078 | T658N22-26TOF | 2200…2600 | 659 | a 60 × b36 × c14 | |||
200,400,600 | 1258 | a 60 × b36 × c14 | T659N22-26TOF | 2200…2600 | 659 | a57 × b36 × c26 | ||
200,400,600 | 3709 | a 100 × b65 × c26 | T699N18-22TOF | 1800…2600 | 699 | |||
| T708N18-22TOF | 1800…2200 | 699 | a60 × b36 × c14 | ||||
600…1800 | 178 | a 41 × b23 × c14 | T709N20-26TOF | 2000…2600 | 700 | a75 × b48 × c26 | ||
600…1800 | 218 | T829N20-26TOF | 2000…2600 | 829 | ||||
600…1600 | 298 | T1039N18-22TOF | 1800…2200 | 1039 | ||||
600…1800 | 358 | T1219N20-28TOF | 2000…2800 | 1220 | ||||
1200…1600 | 378 | T1329N18-22TOF | 1800…2200 | 1329 | ||||
600…1800 | 388 | a 50 × b30 × c14 | T1869N16-22TOF | 1600…2200 | 1866 | a 100 × b65 × c26 | ||
1200…1800 | 508 | T2159N20-28TOF | 2000…2800 | 2159 | a 110 × b75 × c26 | |||
1200…1800 | 508 | a 57 × b36 × c26 | T2709N16-22TOF | 1600…2200 | 2709 | |||
600…1800 | 588 | a 50 × b30 × c14 |
| |||||
600…1800 | 588 | a 57 × b36 × c26 | T379N36-42TOF | 3600…4200 | 422 | a 57 × b36 × c26 | ||
600…1400 | 618 | a 50 × b30 × c14 | T729N36-42TOF | 3600…4200 | 730 | a 75 × b48 × c26 | ||
600…1400 | 618 | a 57 × b36 × c26 | T869N30-36TOF | 3000…3600 | 860 | |||
600…1600 | 718 | a 60 × b36 × c14 | T929N30-36TOF | 3000…3600 | 930 | |||
1200…1800 | 878 | T1929N30-38TOF | 3000…3800 | 1930 | a 110 × b75 × c26 | |||
1200…1800 | 878 | a 57 × b36 × c26 | T2009N30-36TOF | 3000…3600 | 2060 | |||
1200…1800 | 1190 | a75 × b48 × c26 | ||||||
1200…1800 | 1500 | |||||||
1200…1800 | 1990 | a 100 × b65 × c26 | ||||||
1200…1800 | 3160 | a 110 × b75 × c26 | ||||||
3. 光控可控硅 Light Triggered Thyristors
型 号 | VDRM/VRRM (V) | ITAV (A) @ 85°C | 外形尺寸 (mm) |
8000 | 540 | a76× b50× c35 | |
8000 | 1770 | a151 × b100 × c40 | |
7500 | 1770 | ||
5200 | 3400 | a172 × b115 × c40 |
4. 脉冲电源用可控硅 Pulsed Power Applications Thyristors
型 号 | VDRM/VRRM (V) | ITAV (A) @ 85°C | 外形尺寸 (mm) |
T4003NH52TOH | 5200 | 3400 | a172 × b115 × c40 |
T1503NH80TOH | 7500 | 1770 | a151 × b100 × c40 |
T2563NH80TOH | 8000 | 2300 | a172 × b115 × c40 |






