
IXYS三相桥
产品简介
德国IXYS公司的整流桥模块品种繁多,按其性能可分为单相桥、单三相半控全控桥、三相桥。本页介绍三相桥,即..YA..系列三相共阳半桥、.YC..系列三相共阴半桥、VUO、VUE系列三相全桥。
产品详情
![]()
德国 IXYS 整流桥 | ![]() ![]() | 1、1~ RECTIFIER BRIDGES 单相整流桥 2、1~/3~ HALF & FULL CONTROLLED BRIDGES单三相半控全控桥 3、3~ RECTIFIER BRIDGES 三相整流桥 |
德国IXYS,专业生产电子器件,功率器件主要产品有可控硅(晶闸管)、整流二极管及其模块,快恢复二极管等,本公司作为IXYS器件在中国的经销商,主要销售IXYS可控硅模块、IXYS二极管模块、IXYS整流桥、IXYS快恢复二极管等,保证原装正品,交货及时,常备现货,价格优惠。
IXYS的整流桥模块提供不同内部连接形式,可用于几乎所有整流器。
本公司长期备有以下品种的现货: VBO30-12NO7、VHF28-14io5、VGO36-16io7、VUO190-16NO7 等。
本产品页辑录的是3~ RECTIFIER BRIDGES 三相整流桥,广泛用于电源设备中。
3. 3~ RECTIFIER BRIDGES 三相整流桥
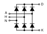
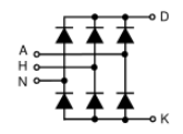
内部连接图
DMA...U... |
DMA...YA.../ DNA...YA.. |
DMA...YC.../DNA...YC... |
FUE.../ FUO |
FUS... |
GUO... | ![]()
MDNA...U... |
MDNA...U...T |
MT... |
VUE |
VUO |
VUO...T |
外型照片
GUFP |
ISOPLUS™-SMPD |
SOT-227B (m |
FO-B |
ISOPLUS i4-PAC™ (5 - Lead) |
E2-Pack |
E3-Pack |
ECO-PAC 1 |
V1-A-Pack |
ECO-PAC 2 |
FO-F-B |
PWS-A |
PWS-B |
PWS-D |
PWS-C |
PWS-E |
PWS-E-flat |
PWS-D-flat |
V2-Pac |
E2 |
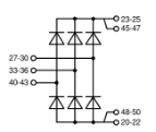
型号列表
Part Number | VRRM (V) | IDAVM (A) | Ckt Diag | Package Style |
1800 2200 | 40 | DMA...U... | GUFP | |
1800 | 90 | DMA...U... | ISOPLUS™-SMPD | |
1600 | 150 | DMA...YA... | SOT-227B (minibloc) | |
1600 | 150 | DMA...YC... | SOT-227B (minibloc) | |
1600 | 200 | DMA...YC... | SOT-227B (minibloc) | |
1600 | 240 | DMA...YA... | SOT-227B (minibloc) | |
1600 | 240 | DMA...YC... | SOT-227B (minibloc) | |
2200 | 90 | DNA...YA... | SOT-227B (minibloc) | |
2200 | 90 | DNA...YC... | SOT-227B (minibloc) | |
800 1600 | 35 | MT... | FO-B | |
1200 | 30 | FUE... | ISOPLUS i4-PAC™ (5 - Lead) | |
45 | 20 | FUS... | ISOPLUS i4-PAC™ (5 - Lead) | |
1600 | 50 | FUO | ISOPLUS i4-PAC™ (5 - Lead) | |
1200 | 30 | FUO... | ISOPLUS i4-PAC™ (5 - Lead) | |
800 1600 | 40 | GUO... | GUFP | |
2200 | 240 | MDNA...U...T | E2-Pack | |
1600 | 450 | MDMA...U...T | E3-Pack | |
1600 2200 | 660 | MDNA...U...T | E3-Pack | |
1700 | 900 | MDMA...U...T | E3-Pack | |
600 1200 | 34 | VUE | ECO-PAC 1 | |
2000 | 30 | VUE | V1-A-Pack | |
600 1200 | 56 | VUE | ECO-PAC 1 | |
1200 | 50 | VUE | V1-A-Pack | |
600 1200 | 86 | VUE | ECO-PAC 1 | |
600 1200 | 130 | VUE | ECO-PAC 2 | |
800---1800 | 20 | VUO... | FO-B | |
800 1200 | 30 | VUO... | ECO-PAC 1 | |
800---1800 | 45 | VUO... | FO-F-B | |
800---1800 | 45 | VUO... | V1-A-Pack | |
800---1800 | 35 | VUO... | PWS-A | |
800---1800 | 27 | VUO... | FO-B | |
800---1800 | 60 | VUO... | FO-F-B | |
VUO52-08NO1 VUO52-12NO1 VUO52-14NO1 | 800---2200 | 60 | VUO... | V1-A-Pack |
1200--1800 | 60 | VUO... | PWS-B | |
1200--1800 | 75 | VUO... | FO-F-B | |
800---1800 | 60 | VUO... | PWS-D | |
1600 | 60 | VUO... | PWS-D Flat | |
800---1600 | 70 | VUO... | ECO-PAC 1 | |
1600 | 70 | FO-T-A | ||
800---1800 | 80 | VUO... | V1-A-Pack | |
800---1800 | 90 | VUO... | PWS-D | |
1600 | 90 | VUO... | PWS-D Flat | |
800---1600 | 90 | VUO... | ECO-PAC 1 | |
800---1600 | 105 | VUO... | ECO-PAC 2 | |
1200---1800 | 120 | VUO... | PWS-C | |
800---1800 | 125 | VUO... | PWS-E | |
1200 1600 | 180 | VUO...T | V2-Pack | |
1600 | 120 | VUO... | E2 | |
800---1600 | 125 | VUO... | ECO-PAC 2 | |
1200---1800 | 150 | VUO... | PWS-C | |
800---1800 | 175 | VUO... | PWS-E | |
1600 | 175 | VUO... | PWS-E-flat | |
800---1800 | 240 | VUO... | PWS-E | |
1600 | 240 | VUO... | PWS-E-flat |


















inibloc)















